升威產品
SOUNDWELL PRODUCT
新品推薦
編碼器選型表
電位器選型表
開關選型表
編碼器
電位器
-
旋轉電位器
- RS19薄型閥門旋鈕電位器
- RA09電位器金屬軸系列
- RA09電位器開關塑膠軸系列
- RA08電位器金屬軸系列
- RD16電位器金屬軸系列
- RD12電位器金屬軸系列
- RD24電位器金屬軸系列
- RD24電位器塑膠軸系列
- RB12電位器塑膠軸系列
- RB16電位器塑膠軸系列
- RC10電位器旋鈕操作型系列
- RC15電位器旋鈕操作型系列
- RC1003旋鈕操作型系列
- RA11電位器塑膠軸系列
- RA13電位器金屬軸系列
- RA14電位器塑膠軸系列
- RA18電位器塑膠軸系列
- RA26電位器塑膠軸系列
- PT10電位器貫通軸系列
- PT15電位器貫通軸系列
- PT16電位器貫通軸系列
- PT21電位器貫通軸系列
- PT26電位器貫通軸系列
- 磁敏電位器
- 中空電位器
- 直滑電位器
- 搖桿電位器
- 馬達電位器
- 電位器開關
- 雙聯電位器
- 單聯電位器
- 撥盤電位器
- 西班牙電位器
- 360度電位器
- 可調電位器
- 手持云臺
- 大功率電位器
- 數字電位器
- 導電塑料電位器
傳感器
旋轉開關
模組定制
磁電光電編碼器目錄
旋鈕
碳膜印刷
熱銷產品(內頁)
廣東升威電子制品有限公司
電 話:0769-38833333
傳 真:0769-87930111
0769-87930222
E-mail:sw@soundwell-cn.com
地 址:廣東省東莞市塘廈鎮鳳凰崗升威工業園
|
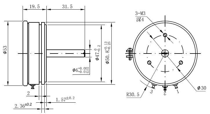
型號:WDD50D-SOO
特點:
● 線性精度高
● 機械壽命長
● 分辨率高
● 動態噪聲小
● 安裝方便可靠
常規尺寸 /Standard Dimensions

技術參數 /General Specifications
| 電氣性能 | |
|---|---|
| 標準阻值 | 1KΩ~10KΩ |
| 阻值公差 | 標準級 ±15%;精密級±1% |
| 獨立線性度 | 標準級±1%;精密級±0.1% |
| 理論電氣轉角 | 350°±2° |
| 額定功率 | 2W(70℃) |
| 電阻溫度系數 | ±400p.pm./℃ |
| 絕緣電阻 | ≥1000MΩ(500VD.C) |
| 絕緣耐壓 | 1000V(AC.RMS)1min |
| 輸出平滑性 | ≤±0.1% |
| 分辨率 | 無限 |
| 機械性能 | |
|---|---|
| 機械轉角 | 360°(連續) |
| 啟動力矩 | ≤10*10-?N.M |
| 最大旋轉角度 | 600U/min |
| 環境特性 | |
|---|---|
| 機械壽命 | 20*10?周 |
| 使用環境 | —55℃~+125℃ |
| 振動 | 15G 2000Hz |
| 沖擊 | 50G 11ms |
特殊規格可以定制
出軸長度,直徑,止檔,特殊角度,軸特殊加工等可以根據客戶要求定制。

- 廣東升威電子制品有限公司
升威電話:0769-38833333(25線)
固定電話:18219276011
傳真號碼:0769-87930111 0769-87930222
郵 箱:2850818308@qq.com
地 址:廣東省東莞市塘廈鎮鳳凰崗升威工業園




