升威產品
SOUNDWELL PRODUCT
新品推薦
編碼器選型表
電位器選型表
開關選型表
編碼器
電位器
-
旋轉電位器
- RS19薄型閥門旋鈕電位器
- RA09電位器金屬軸系列
- RA09電位器開關塑膠軸系列
- RA08電位器金屬軸系列
- RD16電位器金屬軸系列
- RD12電位器金屬軸系列
- RD24電位器金屬軸系列
- RD24電位器塑膠軸系列
- RB12電位器塑膠軸系列
- RB16電位器塑膠軸系列
- RC10電位器旋鈕操作型系列
- RC15電位器旋鈕操作型系列
- RC1003旋鈕操作型系列
- RA11電位器塑膠軸系列
- RA13電位器金屬軸系列
- RA14電位器塑膠軸系列
- RA18電位器塑膠軸系列
- RA26電位器塑膠軸系列
- PT10電位器貫通軸系列
- PT15電位器貫通軸系列
- PT16電位器貫通軸系列
- PT21電位器貫通軸系列
- PT26電位器貫通軸系列
- 磁敏電位器
- 中空電位器
- 直滑電位器
- 搖桿電位器
- 馬達電位器
- 電位器開關
- 雙聯電位器
- 單聯電位器
- 撥盤電位器
- 西班牙電位器
- 360度電位器
- 可調電位器
- 手持云臺
- 大功率電位器
- 數字電位器
- 導電塑料電位器
傳感器
旋轉開關
模組定制
磁電光電編碼器目錄
旋鈕
碳膜印刷
熱銷產品(內頁)
廣東升威電子制品有限公司
電 話:0769-38833333
傳 真:0769-87930111
0769-87930222
E-mail:sw@soundwell-cn.com
地 址:廣東省東莞市塘廈鎮鳳凰崗升威工業園
|
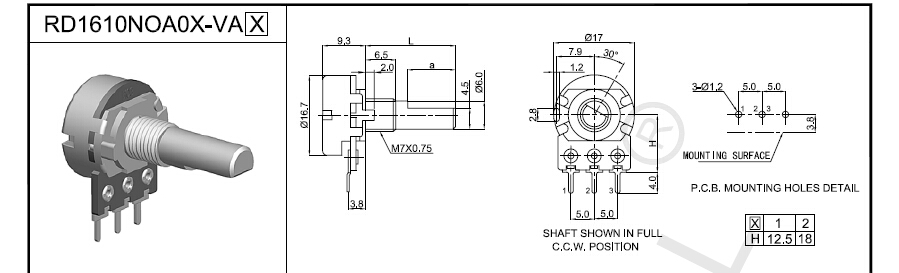
電位器型號:RD1610NOA0X-VA1
RD16旋轉電位器特點:旋轉手感柔和,性能穩定。軸心形狀及長度、使用電路、安裝方式可以選擇,還可以選擇帶旋轉開關功能。
RD16旋轉電位器應用:適用于功放音響、電子玩具、家用電器等
主要功能:調節音量、調壓、調溫、調速等作用,開關功能起電源通斷用。
RD16旋轉電位器產品規格參數
主要規格: 外形尺寸:17mm
旋轉角度:300°±10°
額定功率:≤0.05W
最高使用電壓:AC 50V/DC 20V;
工作溫度: -10℃ ~70℃;
旋轉壽命:10,000次以上;
一、MECHANICAL CHARACTERISTIC 機械特性
1、Rotational Torque 旋轉力矩 :20~200gf.cm
2、Total Rotational Angle 旋轉角度:300°±10°
3、Shaft Stop Strength 止檔強度:≥6Kgf.cm
4、Shaft Wobble (mm p-p) 軸擺動 :Within(0.7xL/20)mm p-p
二、ELECTRICAL CHARACTERISTIC 電氣特性
1、Total Resistance Range 總阻及誤差 :1KΩ<R<1MΩ,±20%;1KΩ≥R or R≥1MΩ,±30%
2、Resistance Taper 電阻特性曲線 :A/B/C
3、Rating Power 額定功率:0.05W
4、Max. Operating Voltage 最大工作電壓 :50V AC/20V DC
5、Residual Resistance殘留電阻:R1,2≤10Ω;R2,3≤20Ω
5、Insulation Resistance 絕緣電阻:100M? 1 Minute at DC 250V
6、Dielectric Voltage 耐電壓:1 Minute at AC 250V
三、ENDURANCE CHARACTERISTIC 耐久特性
1、Rotational Life 旋轉壽命:10,000 cycles Min
Note: In this catalog, if some parameters or drawings are different from the "Approval sheet", it's subject to the "Approval sheet".
注明:如說明書與承認書規格參數、圖面有異,均以承認書為準。


如上為RD16電位器規格書,僅供參考,電位器手柄型狀及電位器手柄長度均可按客戶需求來定制,如有不明,可咨詢升威電子右側客服!

- 廣東升威電子制品有限公司
升威電話:0769-38833333(25線)
固定電話:18219276011
傳真號碼:0769-87930111 0769-87930222
郵 箱:2850818308@qq.com
地 址:廣東省東莞市塘廈鎮鳳凰崗升威工業園




